Pompe de filtration piscine:
Il existe une grande variété de pompes de filtrations pour piscine
Aquazur 66 vous propose ses services sur la vente, la pose et la maintenance de toutes les marques de pompes / moteur de filtration :
Nous intervenons sur le département 66 pour diagnostiquer les pannes sur votre pompe de piscine et vous proposer une solution rapide et adéquate.
Pompe Astral
Pompe Espa - Guinard
Pompe Hayward
Pompe Kripsol
Pompe Pentair
Pompe DAB
Pompe Speck ... et bien d'autres
Nous vous proposons:
- La vente d'une pompe pour installation piscine neuve ou existante
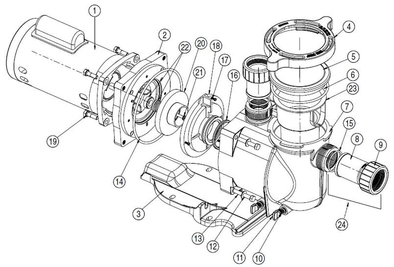
- Le changement des roulements, de la garniture, du condensateur et en général la maintenance de votre pompe / moteur de piscine
- La réparation et maintenance de pompe de piscine
- Le changement à l'identique de la pompe de filtration
- L'adaptation d'une nouvelle pompe sur une piscine














